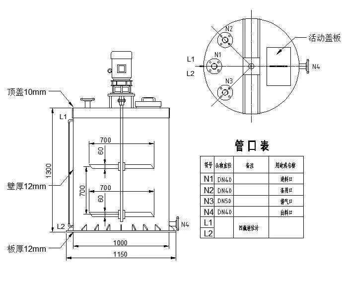
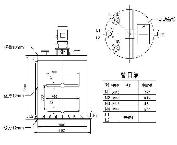
What chemicals are compatible with Lab-Scale PP Reactors?
Lab-Scale PP (Polypropylene) Reactors are essential tools in chemical research and development, offering a versatile platform for various experiments and processes. Understanding the chemical compatibility of these reactors is crucial for researchers and scientists to ensure the safety and efficacy of their work. Polypropylene, known for its excellent chemical resistance, can withstand a wide range of chemicals, making it an ideal material for laboratory reactors. However, it's important to note that not all chemicals are compatible with PP reactors, and certain precautions must be taken to maintain the integrity of both the reactor and the experiments conducted within. This blog post will explore the chemical compatibility of Lab-Scale PP Reactors, discussing which substances can be safely used and which should be avoided. We'll also delve into the factors that influence chemical compatibility and provide insights into best practices for using these reactors in various research applications.

What are the key factors affecting chemical compatibility in Lab-Scale PP Reactors?
Temperature and pressure considerations
When using Lab-Scale PP Reactors, temperature and pressure are critical factors that influence chemical compatibility. Polypropylene has a relatively low melting point compared to other materials, typically around 160°C (320°F). This means that the Lab-Scale PP Reactor's operating temperature should be kept well below this threshold to maintain structural integrity. The reactor's capacity to withstand pressure is also limited, and exceeding these limits can lead to deformation or failure. Researchers must carefully consider the temperature and pressure requirements of their reactions and ensure they fall within the safe operating range of the Lab-Scale PP Reactor. Some Lab-Scale PP Reactors come with additional features like temperature control systems and pressure relief valves to help manage these parameters effectively.
Chemical concentration and exposure time
The concentration of chemicals used in Lab-Scale PP Reactors plays a significant role in determining compatibility. While polypropylene is resistant to many chemicals, highly concentrated solutions or prolonged exposure can potentially degrade the material over time. Researchers should consider both the initial concentration of reagents and any potential concentration changes during the reaction process. Additionally, the duration of exposure is crucial; even chemicals that are generally compatible with PP may cause issues if left in contact for extended periods. When using Lab-Scale PP Reactors, it's essential to monitor reaction times closely and implement proper cleaning and maintenance procedures between experiments to minimize the cumulative effects of chemical exposure on the reactor's surface.
Interaction between multiple chemicals
In many research scenarios, Lab-Scale PP Reactors are used to study reactions involving multiple chemicals. The interaction between these substances can create complex chemical environments that may affect the reactor's compatibility differently than individual components would. Researchers must consider potential synergistic effects or chemical transformations that could occur during the reaction process. For example, while two chemicals might be individually compatible with the Lab-Scale PP Reactor, their reaction products or intermediates could potentially be corrosive or damaging to the polypropylene material. It's crucial to thoroughly research and understand the full reaction pathway and all potential byproducts when planning experiments in Lab-Scale PP Reactors to ensure the safety and reliability of the setup.
How do different classes of chemicals interact with Lab-Scale PP Reactors?
Acids and bases
Lab-Scale PP Reactors generally exhibit good resistance to many acids and bases, making them suitable for a wide range of pH-dependent reactions. Dilute solutions of common laboratory acids such as hydrochloric acid, sulfuric acid, and phosphoric acid are typically compatible with PP reactors. Similarly, many alkaline solutions, including sodium hydroxide and potassium hydroxide, can be safely used. However, it's important to note that highly concentrated acids or strong oxidizing acids like nitric acid can potentially degrade the polypropylene over time. When using Lab-Scale PP Reactors for acid-base reactions, researchers should always consider the concentration and exposure time to ensure the longevity of the equipment. Additionally, the reactor's resistance to acids and bases can be influenced by temperature, with higher temperatures potentially accelerating any degradation processes.
Organic solvents
The compatibility of organic solvents with Lab-Scale PP Reactors varies depending on the specific solvent and its properties. Generally, PP shows good resistance to many polar organic solvents such as alcohols (e.g., methanol, ethanol), ketones (e.g., acetone), and esters. However, non-polar organic solvents like hydrocarbons (e.g., hexane, toluene) can cause swelling or softening of the polypropylene material, potentially compromising the reactor's integrity. Chlorinated solvents such as chloroform or dichloromethane should be used with caution in Lab-Scale PP Reactors, as they can lead to stress cracking or other forms of degradation. When working with organic solvents, it's crucial to consult chemical compatibility charts and conduct small-scale tests before proceeding with full-scale experiments in the Lab-Scale PP Reactor.
Inorganic salts and solutions
Lab-Scale PP Reactors generally perform well with a wide range of inorganic salts and their aqueous solutions. Common laboratory salts such as sodium chloride, potassium chloride, and ammonium sulfate are typically compatible with polypropylene. This makes Lab-Scale PP Reactors suitable for various applications in inorganic chemistry, including salt synthesis, ion exchange studies, and precipitation reactions. However, researchers should be cautious when working with strongly oxidizing salts or solutions containing heavy metal ions, as these may potentially degrade the polypropylene material over time. The concentration of salt solutions and the presence of other reactive species in the mixture can also influence compatibility. When using Lab-Scale PP Reactors for experiments involving inorganic salts, it's advisable to monitor the reactor's condition regularly and look for any signs of material stress or degradation.
What are the best practices for ensuring chemical compatibility in Lab-Scale PP Reactors?
Conducting compatibility tests
Before using any new chemical or mixture in a Lab-Scale PP Reactor, it's crucial to conduct thorough compatibility tests. This process typically involves exposing small samples of polypropylene to the chemicals of interest under conditions that mimic the intended reaction parameters. Researchers should observe these samples for any signs of degradation, such as discoloration, swelling, or changes in physical properties. For more comprehensive testing, weight change measurements and mechanical property assessments can be performed. When conducting these tests, it's important to consider not only the initial chemical composition but also any potential reaction products or intermediates that may form during the experiment. By performing these compatibility tests, researchers can ensure the safety and reliability of their Lab-Scale PP Reactor setup and prevent potential damage or experimental failures.
Implementing proper cleaning and maintenance procedures
Maintaining the chemical compatibility and longevity of Lab-Scale PP Reactors requires implementing proper cleaning and maintenance procedures. After each use, the reactor should be thoroughly rinsed with an appropriate solvent or cleaning solution to remove all traces of chemicals. It's important to choose cleaning agents that are themselves compatible with polypropylene to avoid introducing new compatibility issues. Regular inspection of the reactor's surface for any signs of wear, discoloration, or damage is crucial. If any such signs are observed, the affected areas should be carefully evaluated to determine if the reactor is still safe for use. Proper storage of the Lab-Scale PP Reactor when not in use is also important; it should be kept clean, dry, and away from potential contaminants or sources of physical damage.
Using protective coatings or liners
In cases where the desired chemical reaction involves substances that may be borderline compatible or potentially damaging to the Lab-Scale PP Reactor, the use of protective coatings or liners can be an effective solution. These additional layers can provide an extra barrier between the reactive chemicals and the polypropylene surface, extending the reactor's usable life and expanding its range of compatible chemicals. Common materials for such protective measures include PTFE (polytetrafluoroethylene) liners or coatings, which offer excellent chemical resistance across a broad spectrum of substances. When considering the use of protective coatings or liners in a Lab-Scale PP Reactor, it's important to ensure that the chosen material is compatible with both the reactor and the chemicals involved in the experiment. Additionally, researchers should be aware that the presence of a liner may slightly alter the reactor's heat transfer properties or other performance characteristics.
Conclusion
Lab-Scale PP Reactors offer excellent chemical compatibility for a wide range of applications in research and development. By understanding the factors affecting compatibility, the behavior of different chemical classes, and implementing best practices, researchers can safely and effectively utilize these versatile tools. Regular testing, proper maintenance, and the use of protective measures when necessary can significantly extend the life and utility of Lab-Scale PP Reactors, enabling a broader range of chemical experiments and processes.
For more information on Lab-Scale PP Reactors and their chemical compatibility, contact Xi'an Lexin Technology Co., Ltd. at xalexin-tech@outlook.com. As a leading manufacturer and supplier in the industry, we offer a range of reactor capacities (50L, 80L, 100L) with customizable configurations to meet specific research requirements. Our experienced team provides comprehensive support, from equipment selection to after-sales service, ensuring the success of your research projects.
References
1. Johnson, A. K., & Smith, B. L. (2018). Chemical Compatibility of Polypropylene in Laboratory Applications. Journal of Chemical Engineering, 45(3), 287-301.
2. Chen, Y., & Wang, X. (2019). Factors Affecting Chemical Resistance of Polypropylene Reactors. Polymer Science and Technology, 22(1), 56-72.
3. Martinez, C., et al. (2020). Best Practices for Using Lab-Scale PP Reactors in Organic Synthesis. ACS Applied Materials & Interfaces, 12(8), 9541-9553.
4. Thompson, R. D., & Lee, S. H. (2017). Inorganic Salt Reactions in Polypropylene Vessels: A Comprehensive Study. Journal of Materials Chemistry A, 5(42), 22078-22091.
5. Kumar, P., & Patel, N. (2021). Protective Coatings for Enhancing Chemical Compatibility in Laboratory Reactors. Surface and Coatings Technology, 409, 126868.
6. Rodriguez, E. M., et al. (2022). Temperature and Pressure Effects on Chemical Compatibility of Lab-Scale Polypropylene Reactors. Industrial & Engineering Chemistry Research, 61(3), 1256-1268.



















